666814官网

接待来到666814官网官网!

中国·红足1世666814(股份)有限公司官网
平台桌面型支解器
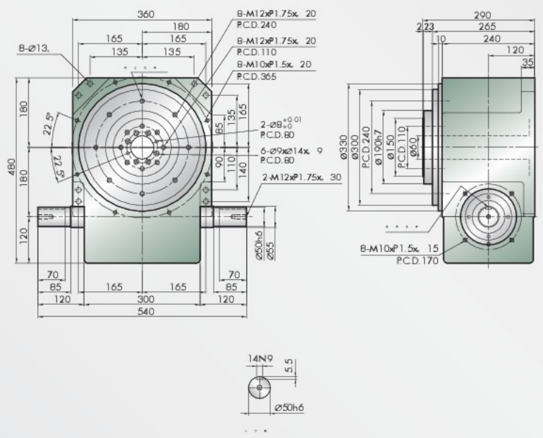
平台桌面型支解器180DT
2020-05-25 2879次
平台桌面型支解器180DT
详情先容

imageimage

在线订购
产品名称:
昵称:
电话:
邮箱:
地点:
备注:
验证码: 中国·红足1世666814(股份)有限公司官网

CopyRight ? 2020 666814官网 All Rights Reserved 备案号: 苏ICP备09042135号-1

 
【网站地图】【sitemap】