油压十字刀台HUS-30
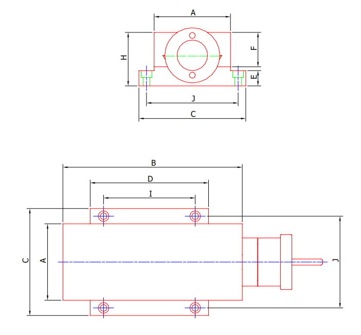
油压尾座HUS-305
ES(经济型鸠尾滑座)
ST(单向鸠尾型角牙滑座
SA(单向工字型角牙滑座
HFV(经济型滑座)
HF(强力型工字滑座)
CP同步夹具
FD双向展刀搪头