666814官网
666814官网
网站首页
关于666814官网
产品中心
新闻资讯
在线留言
联系666814官网
PRODUCT
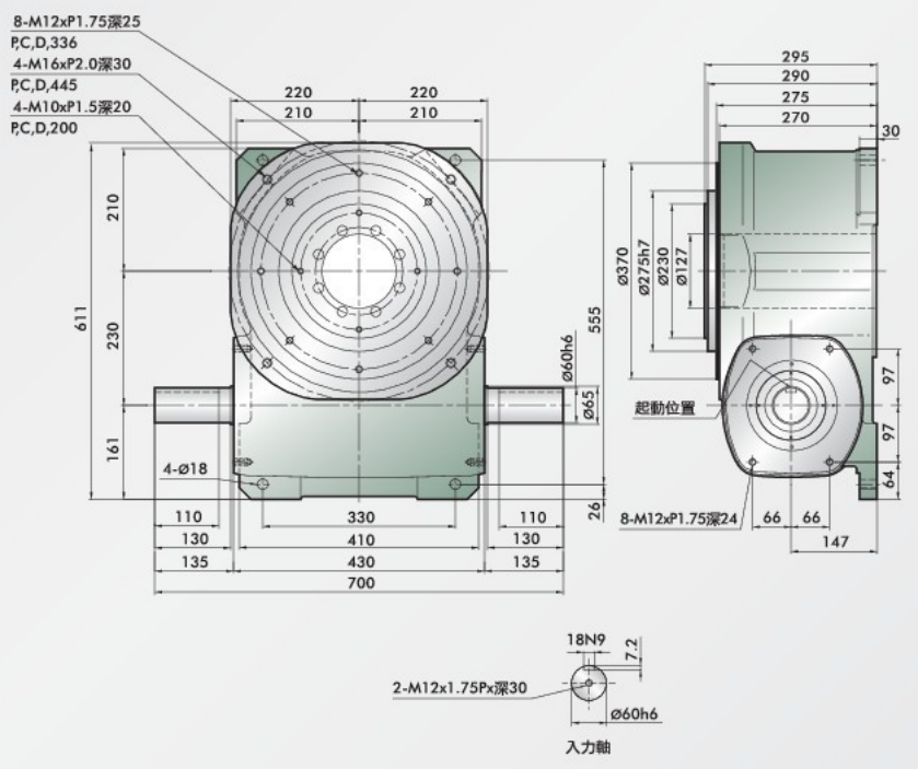
超薄平台桌面型支解器230DA
详细说明:
上一篇:
超薄平台桌面型支解器190DA
下一篇:
超薄平台桌面型支解器330DA
首页
拨号
短信
留言
【网站地图】
【sitemap】